Cookie-inställningar

Vi använder cookies för att ge dig en bättre användarupplevelse och personlig service. Genom att samtycka till användningen av cookies kan vi utveckla en ännu bättre tjänst och tillhandahålla innehåll som är intressant för dig. Du har kontroll över dina cookiepreferenser och kan ändra dem när som helst. Läs mer om våra cookies.

Skip to content

Orion OR

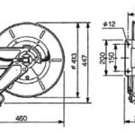
Öppen slangupprullare för långa slangar, levereras med 20 meter För olja, fett, luft eller vatten

Produktinformation

Tekniska detaljer
Slangläng 20m
Anslutningar G1/2" (utv)
Max. tryck 1,8MPa (18bar)

Tillbaka upp